2023年8月

2023年8月31日(木)

この夏最後の江の島の花火

今日はスーパーブルームーン(月に2度目の満月)、江の島の花火(各回3分・150発)も夏シーズンは今日でお終い。

雲はあるが綺麗な富士山夕景

雲はあるが久々に富士山の姿が綺麗に見える、日没も早くなり6時半には暗くなる。

2023年8月30日(水)

朝と夕の富士山

海の家も明日31日まで、今日も海水浴客でない人達でにぎわっていた。

 

ほぼ満月、明日はスーパームーン

明日は江の島花火の最終日だが、満月との競演は見られるかな?

製鉄所のシンボル、高炉が消える時代に

高炉による鉄鉱石からの製鉄では鉄1トンあたり、2トンものCO2排出となり産業界での排出量のトップ、 これを電炉に転換し排出量を半減させようという狙い。でも電炉は材料が使用済鉄材なので鉄鉱石輸入の代わりに 鉄廃材を輸入することになる?

遂に金価格がg当り1万円超えに

「円安」にインフレなどが重なり、遂にグラム1万円を突破。日本政府は巨額の国債発行残高があって 利上げには踏み切れず(巨額の利支払いで破綻)、なすすべもなく放置。ガソリンや電気代には税金による 補助金投入で価格抑制、でもこれ自分たちの借金を増やしているだけ。

ジャニーズ事務所の白々しい掲載内容

「よく言うよ」としか言えない、遣ってる事と言う事が全く合致していない「綺麗ごと」のオンパレード記述。

2023年8月29日(火)

ジャニー喜多川の性加害の報告

事務所が設置した第3者委員会の調査結果の報告会見が行われた。 要するに企業としての「基本」が何も出来ていない「同族経営」で「臭いものには蓋」で永らくやって きたことの総まとめのような犯罪行為と看過の歴史だった。メディアへの異常な締め付けや恐喝まがいの 行為も永らくきたがメディア側も同罪としか思えない。

 

東芝株式TOBへ応募手続き完了

先に手続した保有株式の野村證券からSMBC日興証券への入庫完了の通知メールが来た。 早速TOBへの応募手続きを行った。

国民の不満のはけ口に利用?中国から迷惑電話

政府への不満が爆発すると困るので、そのはけ口を「汚染水放出」として日本政府を非難し、国民の不満の はけ口に利用する中国政府。その手に乗って迷惑電話を日本などへ掛け捲るアホな中国人がごまんとして大迷惑。

経営力ゼロを露呈、7&アイホールディング

自分たちのルーツであるイトーヨーカドーでさえ再建できていないのに、何の根拠があって西武・そごうを買収 したのか。「再建見込みなし」で早々と海外ファンドへ売却するという無責任ぶり。

PAYPAY銀行は強引!

2日前ヤフオクでチケットを落札し支払いをしようとしたら支払方法がクレジットカード不可、PAYPAY銀行で 払おうとしたらワンタイムパスワードの入力要求、そんなもの無い!ワンタイムパスワードが使えるアプリを入れて 使おうとすると、今度はビザタッチの番号要求、結局駄目で他銀行から振り込み(手数料発生)。 カード切替をしないとアプリでパスワード利用もできないのでカード交換を強制されるという酷さ。

「国境なき医師団」から寄付の要請

まあ3割近く?ピンハネしテレビでCM?も派手にやっているインチキ民間団体の「ユニセフ」よりはずっと 真面なのでまた寄付するかと。

2023年8月28日(月)

茅ヶ崎市のマンホールカード

これはマンホールカードになっている絵柄、カードは駅内通路にある観光案内所で配布。

 

姉妹都市のマンホールもある

茅ヶ崎駅すぐの歩道にあり、ホノルル市と姉妹都市になっている(2014年から)。 藤沢市は米・マイアミビーチ市、カナダ・ウィンザー市と姉妹都市。

ついでに相模線の車両

こんな本も購入

アマゾンで中古本を499円で購入、カラー版なので定価は税抜き1050円と高価。

2023年8月27日(日)

近所のイタリアアンが改装開店

随分かかっていたが遂に開店したよう、お客さんが2人入っていた。見ていると丁度娘さんがドアから 出てきた、随分大きくなった(もう4年生?)、ピアノとバイオリンを習っているよう。。

 

「海の家」も最後の週末で賑わい

海の家は8月31日までの営業(片瀬海岸より短い)なので最後の週末だった。

謎の?レトロ地下街:浅草地下街

昨日、浅草で東京メトロを降りて改札を出たら左手にレトロな地下街、名古屋にも伏見近くにあるが こちらは地下鉄には繋がっていない。左手に進むと天井は配管丸見えのまま、水漏れで傘がぶら下がった 所も。

最後は左折し狭い階段を上がると

狭い階段からアーケード街の中の出口へ突然出てくる、そこは新仲見世通り商店街。

川崎宿交流館のマンホールカード

実物が旧東海道沿いの川崎信用金庫の交差点近くに2カ所あった。

かわさき・きたテラスのフロンターレ

こちらは土日のみ、ここで配布。実物のマンホールは等々力陸上競技場の前にあるよう、最寄り駅は新丸子駅。

2023年8月26日(土)

東京総合車両センター夏休みフェア

混雑緩和のため事前予約と時間帯別入場・地元枠設定などの工夫有り。鉄ちゃん殺到を防止するためなのか 車両展示はごく控えめで小さな子供連れの家族向けイベントという趣向に変わってきている。

今日のカメラ:SONY α7U+SONY SAL1855+Tamron 11-19mm 広角ズーム

浅草浅草寺界隈

秋葉原から銀座線で浅草へ、駅から出た途端に雨。ちょうどアーケードの中だったのでセーフ。 仲見世を通り仁王門で撮影して戻る。ここは外国人観光客が非常に多い、地下鉄内でも外国人の観光客が目立つ。

川崎宿交流館でマンホールカード

往路、川崎駅で途中下車し、旧東海道沿いにある川崎宿交流館でマンホールカードをもらう。 このマンホールは川信の交差点に2枚設置、解りやすい場所。

かわさき・きたテラスでもう一枚

かわさき・北テラスで2枚貰うが1枚は以前に 貰ったものと同じだが。こちらのマンホール設置場所は遠いので行くのは無理。

久しぶりの秋葉原?

突然雨が降ってきたが昼食中に上がる、相変わらず外人さんの観光客多数。ラジオデパートの地下へ行ってみたが めぼしいものはなし、インバース等でPCを見るがめぼしい物なし。

秋月電子でレギュレータICを購入

念の為にと+15Vと−15V、1.5AのレギュレータICを購入、2個で90円。

2023年8月25日(金)

改装中のイタリアン、もうじき開店かも

昨夕散歩で前を通ったが、敷地の前部に会った仮設のスペースが老朽化によるリニューアル工事がほぼ完了。 新しい仮設部?はガラス張りでフランス風の洒落た感じになっている。8月下旬には再開見込みと出ていたが。

 

ガソリン補助金のインチキさ、また継続?

石油元売りに出しているのでガソリン以外にも波及、本来ならガソリン税の減税で対処すべきはずが、 補助金で業界に恩を売って天下り先確保が狙いとしか思えない。原資は税金あるいは国債なのでタダで 貰えてる訳でもなく。

2023年8月24日(木)

ダイヤモンド富士も近づいてきた

再来週がダイヤモンド富士が見られる時期となるが、台風の連続発生もあって天気は不安定で難しいかも。

相変わらず雲が多いが

暑さで走っている人も少な目

自治会の運営がやっと正常化

自治会長が関心薄い事を良いことに独断(自治会総会は年1回のみ)で勝手にやってきたが昨年その不透明さが追及され辞任。 管理組合がやっていた資源ごみ回収のお金も勝手に自治会が懐に入れていた事も発覚。年100万円を超える会費を自治会長が 独断で勝手に?使い放題、自治会の旅行(補助あり)も固定的閉鎖メンバーのみ。 夏祭りも費用と手間のほぼ全てを当自治会が負担するも、勝手に「共催」として運営してきたが、やっと正常化。

味の素が「中計」策定を廃止!

現役時代には疑問を抱きながら(現実軽視のあるべき売上や予算から策定を強要される)作業をしたが、やはり膨大な手間と費用を 掛ける値打ちの無い全く無駄な作業だった。製造部門も絵に描いた餅の中計は無視して自分たちの経験で規模算定、誰も信用していなかった「中計」。 結局、誰のために3年に一度位大きな手間とお金を掛けているのかという大疑問を今まで放置してきたスタッフ部門の傲慢さ。

東芝、研修センタが移転した

東芝アンペックスが廃業後、川崎にあった研修センタがここへ移転。宿泊設備もあって幹部研修などを受けに通ったが新横浜駅からは 結構離れていて夏の暑い時期には大変だった。従業員数の大幅減や建物の経年劣化もあって今回の移転(同時に東芝ビジネスエキスパートも移転)で 跡地はまた売却するのかな?

福島原発汚染水の放出開始

敷地内タンクで保管の汚染水約7800トンを海水で希釈しながら、約17日間かけて放出。原発内のタンクは1千基以上あり、8月3日現在で約134万トン がたまっており、汚染水は毎日増え続けていて、放出分がそのまま減るわけではない。東電は、廃炉完了の目標の2051年(達成見込み薄い)までに放出を 終えられるよう、計画を年度ごとに策定する(毎年先送り?)方針だ。

2023年8月23日(水)

高校野球は慶応が優勝

変な精神論なし・丸刈り否定・学生集めをしない、という精神論ばかりの高野連のやり方を否定する慶応の優勝は心地よいもの。 それにしても決勝戦は何故午後2時からなのか?午前中の涼しい時間にやらないのは何故?

 

DEQ2496のダイヤルが不調!

回してメニュー選択し、押して確定する操作をするエンコーダ式のダイヤルが不調、交換するか分解して整備するか、思案のしどころ。

2023年8月22日(火)

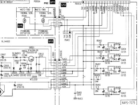
電源不良の追跡:レギュレータに電源来てない!

送出し側からは太めの電線なので断線ということは考えにくい、送出し側は電圧あり。 定電圧基板側は5V系は問題なし、+-15Vは両方ともレギュレータに電圧が掛かっていない!

 

ヒューズ抵抗が2本とも断線!

レギュレータの電源側に入っているヒューズ抵抗が断線と判明。これがPHONOアンプや チューナが動作しない原因だろう。秋葉原でヒューズ抵抗2本(海神無線にある)を調達必要。

2023年8月21日(月)

お盆過ぎの墓参りに

イオンはまだお盆モードから解除なく花は高価なものだけ。

 

マイナ保険証で大顰蹙、支持率ガタ落ち

「聞く力」とは「聞くだけで無策」という意味だった岸田の行動パターン、汚染水放流でも妙な お墨付きを求めたり、結局は放出ありき。「きちんとやります」の東電も散々嘘を重ねて信用度ゼロ。

EQアンプ周り、チューナパックへの接続詳細

EQアンプはオペアンプICによるごく普通のアンプ構成、電源不良も要因の一つに考えられる。

電源生成部の様子

トランスからメイン電源+-22Vを作成、そこからレギュレータ基板に搭載の4つの3端子レギュレータで5V2系統と +‐12Vを作成してEQアンプの基板へ送っている。チューナパックは更に5Vレギュレータを追加して供給。

2023年8月20日(日)

ピアノ四重奏・弦楽三重奏@戸塚さくらホール

演目は、1)J.C.バッハ:ピアノ四重奏曲・WB66、2)エルガー:愛の挨拶、3)グリーグ:君を愛す、 4)マーラー:ピアノ四重奏曲「断章」、5)R・シュトラウス:ピアノ四重奏曲 Op.13,アンコール2曲

 

久しぶりに戸塚さくらプラザホールへ

招待券プレゼントの案内があったので応募、開催まで時間がないので受付けで預かりに。

ピンが真っ黒に変色し動作異常に

マイグレーションは金属カビのようなもので、少しずつ成長し数十年経ってレアショートに至る、半導体の端子金属に 施しているメッキ材料に依存するようでメーカによっても発生頻度には差あり。

現状でこの不良が予想されるのはAVアンプのフォノアンプ部、自作TRアンプの片チャンネル不良など。

マイグレーションの発生メカニズム

ICやトランジスタのピン間に電圧差があると(特に電源ピンと隣との間)マイグレーションが発生し正常動作を しなくなる。対策はブラシで表と裏を清掃するのが最初の対策、これで駄目ならICを交換、ソケット化すれば後々の 交換もメンテも容易。

三菱電機 車載事業を分社化へ

FA事業と共に同じビジネスユニットだったが赤字体質で遂に分社化か?日立も車載機器関連は分社化しており高収益の 望めない事業だと判断?事業の実態はオルタネータなどの古い製品が依然主体、電動パワステは早期から手掛けてきたが競争激化 もあって儲けが出ない(材料分の値上げさえ難しい業界)。

次の目玉事業が見つからない?

電動化分野は様々な企業が参入し大混戦、自動運転関連分野などは三菱電機の得意分野から遠い領域、他社と連携してとは いうが簡単に行くとも思えないので、この分野はもう見限られたのかも、と邪推。

2023年8月19日(土)

三菱電機 DJ-1:1998/5購入,3980円

桑名のサティの特売で新品購入。単4電池2本で動作するデジカメ、モニタ無し、CF記録。とにかく小さく軽い、 同じものを秋葉原/T-ZoneでDJ-1000として販売。メモリ節約のため画像は専用の圧縮処理、復元する必要あり。 三菱電機のデジカメは他に見かけないので、この1機種のみ?

懐かしのジャンクデジカメたち!

名もなきデジカメ:2000/7購入,11000円

秋葉原のツクモで購入、たぶん台湾・中国製、2点ゾーンフォーカス、35万画素、モニタもなにもない、撮影したデータはUSB経由で取り出す。

KODAK mc3:2009/10購入,10円

特に使うあてもなく入手、でも音楽再生など多機能なカメラ?を目指したらしい。電源は単4電池2本。

KONICA e-miniα

まだミノルタと統合前の時期のカメラ、これもUSB経由でデータを取り出す方式だった。

TOSHIBA PDR-T20:2009/10購入,10円

みんながデジカメを出していた頃の東芝のデジカメ、女性狙いか縦方向の吊り下げデザイン、 ポーチも付いていた。2倍ズーム、SDカード記録。専用リチウム電池使用。

KYOCERA SAMURAI 1300DG

特異な形であったカメラ、サムライのデジカメ版、CFで記録、単3電池4本。 液晶パネルが側面と背面(カラー)の2カ所あり、設定などは操作に迷う。

2023年8月18日(金)

扇風機の消費電力を測ってみた

弱>中>強と切り替えて測定、以外に少ない消費電力と1に近い力率だった。風量切り替えによる電力消費量の 変化は思ったより小さい。

 

ガソリン価格が上昇,200円も間近?

ガソリン税を減らさず補助金で誤魔化してきたが、その金額もどんどん減少、中東の生産削減や円安もあって 値下がりする要因は見当たらず、200円突破も現実味が出てきた。

2023年8月17日(木)

晩夏の旅行を計画:手塚治虫記念館>三千院>比叡山

1日目:朝早い電車で一路、宝塚駅へ。途中、伊丹駅で途中下車してマンホールカード2枚ゲット。駅から歩いて 手塚修記念館へ、見学後大阪駅へ戻る。地下鉄で通天閣、道頓堀を見てから江坂駅のホテルへチェックイン。

2日目:早めに出て京都駅へ。朝食後、地下鉄とバスを乗り継ぎ朝一番の三千院へ。バスで八瀬まで戻り、ケーブルカーと ロープウェイで比叡山頂へ。比叡山の根本中堂地区を見て、坂本へケーブルカーで下る。比叡山坂本駅まで徒歩で移動、 JRを乗り継いで帰宅、という計画。

利用する交通機関:ケーブルカー・ロープウェイ

京都側のケーブル・ロープウェイは初めての利用、坂本側のケーブルは小学校の林間学校で行った際に利用して以来。

2023年8月16日(水)

新幹線は豪雨で大混乱

昨日は終日計画運休、今日は静岡県下の豪雨から始まった混乱は博多までの全線に及び、 5ー6時間遅れという酷い状況に。 全席自由席にしたり、終電打ち切りなどで混乱を収拾するも混乱は終日続く。

 

強い雨が時々降る荒れた天気

曇り空だが強い南風が終日吹いて、時折強い雨が吹き付けるという天気の一日。 静岡の西方向は雲が厚く積乱雲も高くまで成長している。

修正申告の県市民税分の振込あり

県市民税の還付分が振り込まれた、肝心の所得税のほうは未だ音沙汰無し。

26日JR東日本の工場公開申込

今年は事前申し込み方式、もう満員だろうとサイトを見たら最後の時間枠があったので 申込み(11時30分から入場)。そのうちにこれも有料になるのかも?

2023年8月15日(火)

台風7号で東海・関西はほとんど運休に

東海道線は浜松から先で運休、他の線区もほぼすべてが運休、飛行機も高速バスも欠航・運休。 こんな広範囲で長い時間の計画運休は初めてのこと。

 

新幹線や近鉄も止まり、名阪間の足無し

近鉄や名鉄は一部区間を除いて夕方から運転再開したが、新幹線は名古屋<>岡山間で終日運休。

2023年8月14日(月)

東芝TOB、株式移管手続き

先に日興証券の口座を開設したが、第2ステップで野村証券から日興証券への移管 依頼の手続き、なぜか紙の書類での手続き(オンライン不可)。

 

台風接近、一部通行止めに

国道の下をくぐる通路が高波の危険から何年ぶりかの通行止めに。

2023年8月13日(日)

台風接近で大荒れの天気

午後には強い通り雨、その後の隙間で長女は食材をたくさん貰って帰っていった。 海は大荒れで白波が立って、遠くは波しぶきで霞んでいる。

 

長女のお土産、ホームカミングデーの招待状

夏休みで妹と函館へ旅行に出かけた長女が帰路に立ち寄り、お土産を置いて行った。

「50周年」とうことでホームカミングデーの招待状が来た、さてどうしたものか。

2023年8月12日(土)

オーケストラ・タヴァーイ@みなとみらい大ホール

演目は、1)シェバリ−ン:交響曲第3番、2)ボロディン:交響曲第3番、3)ハチャトリアン:交響曲第3番。 3曲目は15人のソロ・トランペット+パイプオルガンの大迫力だった。

 

みなとみらい、ポケモンだらけ

桜木町の駅改札からポケモンだらけ、小さな子供連れの家族が多数で大混雑。

まだまだ、ポケモン

暑い中、大賑わい

2023年8月11日(金・祝)

猛暑、35℃越え

昔の写真・2題(その2)

良く見るとプール脇は砂利が敷いてあるのが解る、コンクリート舗装ではない。奥に見える小さなタワーは 浄水器のよう。下は3年生の遠足、野村先生と写っている(共にカラー化処理)。

とにかく暑い

辻堂のアメダスも遂に35℃越えに、最低気温も25℃まで下がらず熱帯夜。

2023年8月10日(木)

昔の写真・2題

上は広島に住んでいたころ海水浴に行った際の写真、まだ市内のすぐ近くで泳げた時代だった(カラー化処理)。 下は伊勢湾台風の被害で水没した国道一号線をドラム缶で嵩上げした道路で弟と写っている(車はトヨエース)。

 

ハーブが順調に成長

植え替えてから順調に大きくなっている。

2023年8月9日(水)

防衛省へ侵入、お気楽な日本政府

何故か危機感が感じられない「お気楽」な日本政府、アメリカから情報連携は無理だと 言われているのに。被害自体も何も分かっていないのかも。「台湾進攻」への準備進行中?

 

紐付けミス多発に危機感薄い政府

指示するだけで全部タダで他人にやらせて、間違ったら点検もしろと「言うだけ」の政府。 年金データの消失問題と同じ状況、自身では何もせず「口先」であれこれ言うだけで、 「間違えたやつが悪い」と責任逃れするばかり。

2023年8月8日(火)

久しぶりに綺麗な富士山夕景

夕方遅めの散歩での風景、使用カメラ:SONY α900+Tamron 28−200o Zoom。

東芝のTOB、スタート

やっとTOB開始の報で株価は4610円とTOB価格の10円下で推移している。通常の売却より手数料が 掛からない分だけお得な程度だが。

「少子化対策」を口実に特別会計?

不正や利権の温床として削減してきた「特別会計」、またぞろ「少子化対策」を口実に作ろうとしている 岸田自民党政権、「少子化」さえも自分たちの利権とする強欲政権、期待値が低いなかの愚行。

従業員販売サイトも関連の事業を次々売却で価格が市価と変わらなくなり魅力度は大幅低下、もう利用しない?

スイスの絶景、行ってみたい

写真家・吉村和敏氏は今スイスの美しい村の撮影旅行中、円安とインフレで費用が驚くほどの高額で大変そう。 これらの画像は氏のブログサイトから引用(上下をトリミング)。

年金で老後を暮らすのは困難な現状

以前「老後資金は2000万円必要」という事が話題になったが実際に調査をした結果からも納得。 この調査結果では夫婦で月2万円の不足、年24万円、90際までとして720万円となるが現実的? 

2023年8月7日(月)

墓参りに、花かお盆で値上がり

お盆前なのでいつも買う99円の花はなし、298円以上の花のみで大幅値上がり。 少な目に買っても2200円超え。

 

県市民税の還付通知が来た

6月に手続きした修正申告の結果が反映される県市民税の還付通知が来た、8月16日に振込予定。 所得税分の還付通知はまだ来ないが、そろそろかな。(修正申告の理由は健保費用の計上忘れ)

2023年8月6日(日)

桜木町駅はポケモンだらけに

駅名標にもポケモン

駅構内やエスカレータにも

ポストにもポケモン(横浜市役所と郵便局)

 

管弦楽団「響」@神奈川県立音楽堂

演目、1)シューマン:交響曲第3番「ライン」、2)ブルッフ:交響曲第3番、アンコール:シューマン:トロイメライ (管弦楽版)

猛暑なので早い開場、ロビーで待機 

2時開演で1時15分開場だったが1時過ぎで誰も並んでいないので不思議に思ったら、ロビーまで入場できるように していた、気が利くね。

昨夜の事故で東海道線はダイヤが大混乱

朝11時過ぎの辻堂駅、下りはまだ昨夜の列車の表示、上りは朝6時代の列車が大幅遅れの表示。 上り電車がやってきたが、案内は10両だがやってきたのは15両という混乱ぶり。

  

昨夜の大船駅手前の事故箇所

まだ事故の原因は良く解っていないよう、帰路も横須賀線下りが乗務員急病でストップ、東海道線が 横浜>戸塚間を代走する事態に(保土谷駅で「熱海」行は珍しい)。

2023年8月5日(土)

茅ヶ崎の花火大会@サザンビーチ

3000発なので長い時間楽しめる

花火の撮り方を見てそのまま実行(Mモード・F13・BULB)、シャッターを開けている時間を 図るのがなかなか難しい。

  

同時に江の島花火も

突然、江の島ので花火(3分間)も始まってびっくり。

T-PDSでT3の動作確認

  

PLC T3も動作確認できた

ジャンクで入手後、電源ON以外の動作確認ができなかったが、T-PDS接続で正常動作を確認できた。

プログラムが残存していた

ジャニーズ問題、国連に頼る情けなさ

ジャニーズ事務所は国連機関に「セクハラ加害」と認定され、救済もせず黙認したメディアの責任も強く 非難。癒着して被害者救済を妨げたとしか思えないメディアの反省の無さには呆れるしかないが。

猛暑警戒の中で高校野球

以前から指摘されているにも拘らず何の進展もないまま今年も猛暑の中、甲子園で開催の高校野球・夏の大会。 そもそも野球自体がお金のかかる球技で、全国から選手を集めたりとお金のない公立校には最早無縁ともいえる競技に。 この問題、どこかジャニー喜多川の性加害問題と同じ「知らないふりのメディア」の匂いぷんぷん。

2023年8月4日(金)

久しぶりにPROSEC T2を動かしてみた

Satellite J81はシリアルポートがあるので、ケーブルでそのまま接続(以前はUSB-シリアル変換経由)して PCを起動するとモニタができて動作には問題なさそう。試しにDIの1点をONにしてみると、きちんと動作する。

 

T-PDSの操作を忘れている!

保存してあったプログラムを入れようとするが手順を忘れている、まずファイルを読み込む、次に「編集」 モードで「書き込む」がなぜか実行すると前のプログラムのまま。取説などをチェックするとPC本体には2つの メモリがあって実行するのはROMのよう、ROMへ書き込みしないと駄目そう。

藤沢市、人口増も若年層減少で高齢化進む

流入人口は多く、人口は44万3千人と県内で相模原についで4位、でも14歳未満の人口減少で 高齢化が進むのが現実。

楽天カード、ますますセコクなる

ポイント付与を月利用額の総計から個別利用にして端数切捨て、楽天の良さが次々消えて 魅力激減、ますます利用減に。

この人、どっちを向いて仕事をしている?

労働組合の統括団体だった筈の「連合」、いまや組織率は18%を切って(アベの非正規増加政策が 功を奏した?)、自民党に擦り寄ったりと大迷走の連合のトップ、ますます連合離れが進みそう。。

何故トランプは支持される?

ワシントンで「職業」政治家が自分たちの利益最大になるように勝手な事しかしていない、という 不満が強い底辺白人層(プアホワイト)からの支持が基盤のよう、

2023年8月3日(木)

鎌倉御門・里見敦旧邸へ

昨年5月から週末公開が始まった旧・里見敦邸を見学に。八幡宮から歩いて15分位、西御門の谷戸の奥まった 場所にある。現在は持ち主から建築事務所が借りて公開しているが維持は大変のよう。2階から渡り廊下で繋がる 数寄屋作りの和風の建物もある。

源頼朝の墓所へ(旧・法華堂跡)

帰路、少し下って左折し法華堂跡の頼朝の墓へ。法華堂は無くなり江戸時代に薩摩藩が墓を建てたとある。 北条時宗の墓はすぐ東の同じような場所にあるよう。

2023年8月2日(水)

超広角レンズを付けて散歩に

使用したレンズはTAMRON 11-19mm(APS-C) 超広角Zoomレンズ、標準では16-28mm相当、四隅はやや光量落ちが見られる。 画角が広いと写る範囲が広く、明暗の差が大きい映像となり露出の適正化が難しい、今のミラーレスにはオートHDR機能 があってコントラストの調整をしてくれるが古いカメラにはそんな便利な機能はなく、難しい。

野村証券にログインでき、残高確認できた

この口座情報で入手価格と現在価格をチェックできるが、80万円以上の損失状態。

Windows98SEで動作問題ないが・・・

サウンドのドライバが入らないので音が出ない、そのためEPSONのフィルムスキャナのソフトも インスト―ルできない事態で渋滞中。

カメラ・レンズ用乾燥剤

乾燥剤の手持ちが切れているのでヨドバシへ注文、12個入りで750円程。発送状況を追跡 すると昨日朝には配達営業所へ到着するも指定日時ありで保管中となり、今日やっと届いた。 安い料金で請け負っているので1日遅い(混んでると後回し)の配達となっているのかと。

2023年8月1日(火)

「異次元緩和」はアベに迎合した大失敗に終わった

「2年で物価上昇2%」を謳い文句に強引に?始めた「異次元緩和」、アベノミクスの 一環の政策なるも、その後11年経過しても物価2%上昇は全く達成できずのまま黒田は退場。

 

当初から疑問の声もある中の強行、結局失敗

「アベノミクス」で謳われたトリクルダウンも実現せず、国民の暮らし向きは悪くなるばかり。 またぞろ軍事費拡大や増税プランばかり持ち出して顰蹙を買っている岸田政権。

自民党女性部が大挙してフランスへ

自民党の女性部が大挙して(30数名の規模)フランスへ研修旅行にお出かけ。 研修内容は一切不明だが、浮かれてエッフェル塔で記念撮影の画像をSNSへアップし 非難轟轟となり慌てて削除、だれも止める人は居なかった?

あの今井絵理子も参加、ほぼ観光では

どんな研修でどんな成果があり今後の活動に生かす、というような発信はゼロ。 ただエッフェル塔やベルサイユ宮殿で浮かれて記念撮影しただけ、としか思えない。 国民が物価高、賃金上がらずの苦境のなかでなんともお気楽な連中だ。