2019年11月

2019年11月30日(土)
コンサートのはしご:Aお茶の水管弦楽団@ミューザ川崎
急いで川崎へ移動し夕食、開場10分前に並ぶともう200人位の待ち、それでも2階席の比較的良い場所を確保、座席数は 多くないのでほぼ満席の盛況、最後はオケ背面にも入れていた。
演目は、1)チャイコフスキ:歌劇「エフゲニー・オネーギン」から、2)ラフマニノフ:ピアノ協奏曲、3)ドボルザーク: 交響曲第9番「新世界より」であった、アンコールは不明。

11月の歩数:216,265歩(約151km)
ミューザ川崎も久しぶり
最近は横浜近傍の会場を主に足を運んでいるので川崎ミューザは久しぶりだが音は良くて安心感あり。 このオケは御茶ノ水大と東京医科歯科大の在校生中心の学生オケだが結構レベルが高いしメンバー数も多いのには感心、 コントラバスは7人体制で立派ななもの。

2019年11月30日(土)
コンサートのはしご:@鎌倉交響楽団@横須賀芸術劇場
少し遠いが横須賀へ、会場が広いので満席にはならず。<br> 演目は、1)リヒアルト・シュトラウス:歌劇「ばらの騎士」組曲、2)ハイドン・トランペット協奏曲、 3)チャイコフスキー・交響曲第6番「悲愴」だった。
終了は4時15分過ぎ、裏手の汐入駅から京浜急行で川崎へ急いで移動。


久しぶりの横須賀の街
横須賀は自衛隊と米海軍の街、ヴェルニー公園の向かい側には潜水艦が停泊しているのが普通の風景、左手には複数の 高性能レーダを備えたイージス艦が多数停泊している。

2019年11月30日(土)
房総特急で使われたE257系
往路はJR横須賀線で、逗子駅で側線留置中の房総特急に使われるE257の5両編成を見かけたが、休日運転の鎌倉行の 快速列車だろう。
中央線の特急に使われた車両は改造して伊豆方面の特急「踊り子」に転用されると正式に発表になったが、房総の余乗車は どうなることやら、しばし臨時列車に使われる?


引退の近いE217系
もうE235系への置き換えが決まり先が短いE217系、1994年から随分長い間総武線など千葉方面とと横須賀線などで活躍してきたが、 もうじき見納めになるよう。

2019年11月30日(土)
朝焼けで赤っぽい富士山



綺麗な富士山に


2019年11月29日(金)

円周魚眼レンズから切り取り
円周魚眼レンズで撮影した画像から切り出したもの、夜で空は真っ暗、魚眼の特徴が解りにくい?

2019年11月29日(金)


江ノ島・湘南の宝石へ
毎年行っているが今年も参加、冬のチューリップはまだまだ花が咲くには時間が掛かりそう。

2019年11月29日(金)
三脚とリモコンを持って江ノ島山頂へ
手持ちの高感度撮影も最新デジカメでは普通にできるがレンズを開放で使うので被写体深度が浅くなりがちで画面の 全体でびしっとピントが合わない、一方三脚を使い絞りを絞って撮影すると被写界深度は良くなるがシャッター速度 が遅くなり風などで動くと画像がぼけるという一長一短のせめぎあい、これを試してみた。


比較の結果はいかに
使用したレンズは旧ミノルタの24−85mmズーム、高級レンズではないが広角側が24mmというのが ポイント。今回の撮影ではピントは手動、露出は自動と絞り優先で撮影した。
自動:ISO4000、F3,5開放、1/160、手振れ補正あり 
手動:ISO200、F8、1/2、手振れ補正あり 三脚とリモコン必須
ぱっと見ではあまり変わらないが拡大してみると開放とF8絞りの差があり。


2019年11月29日(金)

雪が増えて冬景色の富士山に戻った
宝永火口の窪みもすっかり雪に覆われて目立たなくなった富士山。

2019年11月29日(金)
今日は好天、富士山も綺麗
朝から富士山が綺麗なので海岸まで歩いてゆき撮影、サーファー以外は誰もいない。


公園内からも綺麗に見える


2019年11月28日(木)
嘘が次々綻び今や「大嘘つき」になったアベ
「一切関与してない」から次々矛盾が発覚、証拠となる名簿は公開請求があったら速やかにシュレッダーで裁断し証拠隠滅 する忖度の官僚組織、胡散臭い人を招待したのは誰と聞かれ曖昧な答弁で誤魔化そうとする官僚、デジタルデータの復元 は技術的に可能なはずが「できないと聞いている」と逃げの一手のスガ。次はパソコンを破壊処理して逃げるのでは?
まだ懲りずに税金でアベのスタンドパネルを作ってあちこちの施設に設置、一体どういう感覚なんだろう。すべてが忖度ずくし? まあお金(税金)を機嫌よくばらまくから地元にとっては大恩人?


香港の選挙は中国に明確に「ノー」の結果
体裁だけ整えてあたかも民主国家のように偽装している中国、実態は共産党の一党独裁国家でナチス時代のドイツと大差なし。 行政も司法も三権分立の上に共産党組織があり裁判の判決なども共産党の思うままになっている暗黒国家がその実態。
文盲が多く字も読めなかった初期は仕方なかったかも知れないが、その後も共産党の既得権益を守るため独裁が継続している。


2019年11月28日(木)
これでは組立たない、不良ソケット
組んでみようかと真空管ソケット(紙でくるんであったもの)をチェックすると何とピンを支える端子が2本 抜けていて使い物にならない、さっそくアマゾンへ問合せをしたが組み立ては一時休止。代わりの部品が来るか 全部返品するかこれからの対応次第。


パナソニックが半導体事業を台湾企業に売却
一時は随分隆盛だった旧松下電子の半導体事業、今は見る影も無くロームに売却した残りを台湾企業に売却し 半導体事業からは撤退、ところで買った台湾企業はどう活用するのだろう、と素朴な疑問。ロームはヤマハの 半導体工場なども買収して継続しているが何故パナソニックでは出来ない?
液晶パネルの工場も閉鎖し撤退との追加報道も、車載事業強化の一環だった半導体や液晶撤退で何で頑張る?


2019年11月27日(水)
アンプのキットが届いた
アマゾンへ注文したキットが届いた、19日に中国・新せんで投函され9日目で届いたので早い方か。早速中身をチェック、 詳細は解らないがまあ揃っていそう、真空管もヒータは切れていないことテスターで確認。


真空管は高さが微妙に違う、中国品質?
一目見て真空管の高さに違いがあるのが解る、このあたりが品質管理の考え方の違い、規格があるがまあ適当。 明日以降楽しみながら組み立ててみよう。

2019年11月27日(水)
FELICAリーダーが不調に
スイカのデータ(残額や利用実績)を読み込むのに使ってきたRC-310が不調に、最初はWindows10への対応無しかと 思って古いドライバを入れてみるも状況変わらず、これはUSBケーブルの断線だろうと判断し分解してみた。


原因はケーブル中間での断線
断線箇所は解らないがケーブルを動かすと状況が変わるので断線に間違いなしと判断、もう使わないミニマウスから USBケーブルを調達して交換、きちんと正常に動作するようになった。ドライバの新旧の問題ではなかった。

2019年11月26日(火)
日立が日立化成を1兆円で売却との報道
儲かっているはずの日立化成、確かにIT中心の日立とは相いれないのだが。儲かる子会社をさっさと売って ITへ投資するという決断か。もう売るものがない、虎の子も売ってしまった東芝とは大違いの展開。


実質は太陽光事業からの徹底か
太陽光関連機器から撤退し、ソリューションに徹するとの発表だが実際は撤退ではないかと。 パネルは中国製が超安価で競争不能、電気代上乗せの補助金も無くなり、今後の展開はないと判断?
ブーム後期に再々参入した東芝は一体どうするのか、再々撤退?


2019年11月26日(火)
墓参りに、18日ぶり
前回は父の誕生日だったので18日ぶり、さすがに冬まじかでも前回の花は枯れて全部無くなっていた。


マンホールカードとSUICA付クレジットカード
豊橋駅構内の観光案内所で2枚取得、もう一枚は徒歩10分の所なので今回は断念、足助の三州足助屋敷の受付で 豊田市・足助のカードも入手。
スイカの付いたカードの更新で新しいカードが早くも届いた、残念なのはスイカ残高の移行が今回から不可となり残高を 使い切る必要があるよう変わったこと。残高500円位まで減ったはずだったが小田急でオートチャージされ3千数百円 まで増えてしまった。


2019年11月25日(月)
久しぶりに高速バスを利用
帰路は名古屋駅前から高速バスの新宿行を利用、セール価格で2500円、所要時間は5時間30分と定刻なら 電車より早く圧倒的に安い、実際には都内に近づくと渋滞があり30分ほどの遅れ。


WiFi接続は当然で映画も配信
USBの充電用のコンセントは当然の装備に、でも新幹線とは違いパソコンの利用は不可で主にスマホの充電用。 最近始まったサービスがWiFi経由での映画の鑑賞サービス、最新作ではないが長距離の移動には良いのかも。

2019年11月25日(月)


香嵐渓へ紅葉を見に


2019年11月25日(月)
早起きして香嵐渓へ
朝6時前の地下鉄・鶴舞線で赤池、名鉄・豊田線へそのまま直通で豊田市駅へ。7時18分の名鉄バスに並んで 座って香嵐渓まで、平日朝なので通学の高校生が乗ってくる。8時前に香嵐渓バス停に到着、カメラを出して撮影 しながら川沿いをあるいて待月橋を渡り紅葉の山裾を進む、太陽の方向が東なので山の西側には光が充分回らず眠たい 画像になってしまうのは残念、やはり午後が光の具合が良さそう。


午前中は空いていてゆっくり見られる
紅葉の名所だという香積寺の石段を登り参拝、山頂まで15分との表示もあるが帰りのバスの時間もあって 今回はパス、本当は足助城址にも行きたかったが往復で1時間半は掛かるので断念。9時から開いた三州足助屋敷 の受付でマンホールカードを貰い、入場券を買って見学、色々な昔の仕事の再現(木挽き、機織り、駕籠作りなど) を見せている。9時42分のバスで往路を逆にたどって帰路に、次のバスは2時間後なのでやむ無し。

2019年11月24日(日)
名古屋市中区を歩く
小学校の横を通って紅葉した木々越しに名古屋観光ホテルが見える小公園へ、小学校は学年あたり数人規模しかいない ようだが統合の声に耐えて存続していた、マンションが増えれば子供が増えるはずだが。 伏見通りを渡ったところで伏見ミリオン座を発見、最近移転してきたらしい。


懐かしい街並みは大きく変わって
学生時代に良く通った松坂屋前の名画座・ロマン座は老朽化と入場者激減で取り壊されて90年代に無くなったらしい、 その向かいにあった中学の同級生だった山岸自転車店も同じ頃取り壊されてなくなった。

2019年11月24日(日)
円頓寺通りはワイン祭りで賑わい
名古屋駅からぶらぶら歩きで昔住んでいた所あたりを歩く、まずは円頓寺商店街へ。長野ワインフェスで ワイングラスを持った沢山の人がうろうろ、子供の頃よくお使いに行った肉屋さんのミンチやコロッケにも 多くの人が並んでいた、ワインのおつまみに丁度いい?


桜通りのイチョウが綺麗
堀川を五条橋で越えて中区へ、この辺りは住んでいたので思い出深い。桜通りのイチョウは黄色の染まって非常に 綺麗、多くの木が倒れた伊勢湾台風の頃を思い出した、銀杏並木なのに桜通りというのはすぐ近くに桜天神社がある ためのよう。昔住んでいた町には当時の住人はもう誰もいない、マンションも複数建って人口は増えているようだが。

2019年11月24日(日)


愛岐トンネル群の秋の公開へ
香嵐渓へ行くべき東岡崎駅まで行くもバスの長い列に諦め、愛岐トンネル群の公開へ予定を入れ替えて金山で乗り換えて 中央線で定光寺駅へ、アクセスがほぼJRしかないので結構な混雑。駅を出て上流側へ350m程歩いて3号トンネルの 入口へ、協力金100円を払い旧線路敷を歩いて3−7号トンネルを歩く1.7kmのコースを往復。

2019年11月24日(日)
「愛岐トンネル群」秋の公開を見に行く
香嵐渓へ行くべく名鉄で東岡崎駅まで行くも香嵐渓行のバスの長い列に諦め、愛岐トンネル群の公開へ予定を変更。金山でJRに 乗り換えて中央線で定光寺駅へ、アクセスがほぼJRしかないので電車は結構な混雑。駅を出て上流側へ350m程歩いて3号トンネルの 入口へ、協力金100円を払い旧線路敷を歩いて3−7号トンネルを歩く1.7kmのコースを往復。


定光寺駅で降り歩く
このトンネル群は全体で14あり、1966年に中央線の複線電化工事の一環で新トンネルに替わり廃止されるまで使われた。 うち4つを含む部分を買い取り整備と公開している。これらのトンネルは名古屋から長野へ行く蒸気機関車の引く列車 に乗った記憶あり、トンネルの度に窓を開けたり閉めたりと忙しかった。

2019年11月24日(日)
SLが走っていた頃のトンネル
SLがぎりぎり通る狭いトンネル、電化は無理で複線の新トンネルが掘られ、旧線は放棄された。


庄内川の対岸から見た風景
川に沿って曲がった複数のトンネルが続いていた旧ルート、新しいトンネルはほぼ真っすぐで 次の古虎渓駅まで続いている。線路沿いの電信柱も懐かしい風景。

2019年11月23日(土・祝)
「湘南の宝石」今日から点灯に
今日から2月上旬までの長いイベント、今日は雨で寒くて生憎のスタート日になってしまった。450mm相当の望遠だと さすがの手振れ補正も難しい。


12月下旬の「ムーンナイトながら」の切符
段々と運転日が短くなり今年は年末のみで1月は運転無しになってしまった。駅ネットから予約申し込みをして 20日は満席だったが21日の往路と23日の復路は指定券が取れたので旧中山道歩きの復路を再開するかと計画中。 まずは草津から歩き始めて彦根あたりまでか。

2019年11月23日(土・祝)
マクロの練習・水滴の撮影
雨の水滴が草について綺麗だったので駅からの帰路、公園へ回って適当な草を探すも最近草刈りしたばかりで 殆ど見つからない。やっと出口周辺で見つけたが短いものしかない、残念。


やはり照明を使わないと難しい?
今回はNEX6に100mmと50mmのマクロを付けてトライ、葉が細くて綺麗に水滴が並べられない。 暫くすると乾燥で葉が閉じてきてしまった。もっと長い葉っぱがあったほうが良さそう。

2019年11月22日(金)
USBメモリが故障かと思ったが
Windows10では「ディスク管理画面」で見えるがフォーマット等の操作が出来ないの(普通は解除できる)で 故障かと思ったがどうやらDaphileで使ったのが原因のよう、LINUXのツールで領域を解除すれば良さそうと 判明したのでGParted-liveというツールをダウンロードしCDに書き込み、ノートパソコンで解除して使えるよう にしよう。


また白鵬がプロレス相撲
12日目の取組で「かちあげ」で勝ったという一番。NHKの解説者も「後味の悪い取り組みだ」と厳しく指摘。 勝てさえすれば(何をしても)良いという態度は全く変わらず、体力の低下で益々ひどくなってきた印象。

2019年11月21日(木)
分解したパーツ類
分解すると作った人の様子が解る、ネジにはきちんとワッシャが入れてあるが、出力端子の取り付けは回転防止の縦長穴で なく丸穴なので空回りする危険性あり、半田付けも端子の穴に通しての取り付けは無し、単に半田で付いているだけ。 ケース前面が黄色っぽいと思ったら表面保護の薄いシートを剥がさずに使っていた、保護シートが固くなり取るのに一苦労。 トップカバーは何故か一部変色なので塗装処理をするべきかも。


解体前のジャンク?電源
先月上旬に送料込みで1000円程で入手した電源はこの通りの内容、電解コンデンサは50WVで2000μF、トランスは菅野電機製、 電圧計は38mm角だが1300円の価格ラベルが付いたままだった、今はもっと高価?トランジスタはCANパッケージの2SD218(NEC) 放熱グリース塗布なし、ダイオードはトランスに接着。最終的なレイアウトは注文した基板が来てからの作業となる。

2019年11月21日(木)
朝日新聞、インチキ広告掲載を謝罪
12日の長官に掲載された書籍の広告が嘘だらけと判明し、朝日新聞が謝罪の社告をだした。インチキの最大のものは イタリアの医師が開発したガン治療法と称するもの、何でもガンの原因は真菌であり重曹殺菌で直るというインチキ民間療法。 その医師は患者が死亡して2度有罪になっており今や医者でも何でもない。インチキ広告の最大のポイントは医師でもない男 を医師だとして取り上げていることのよう。


著者とされる御仁も相当胡散臭い
この御仁が著者、他にも似たような胡散臭い本を多数執筆して手慣れたもの。権威付けのために誰も知らない イタリアの医師を持ち出したのだろう。

2019年11月20日(水)


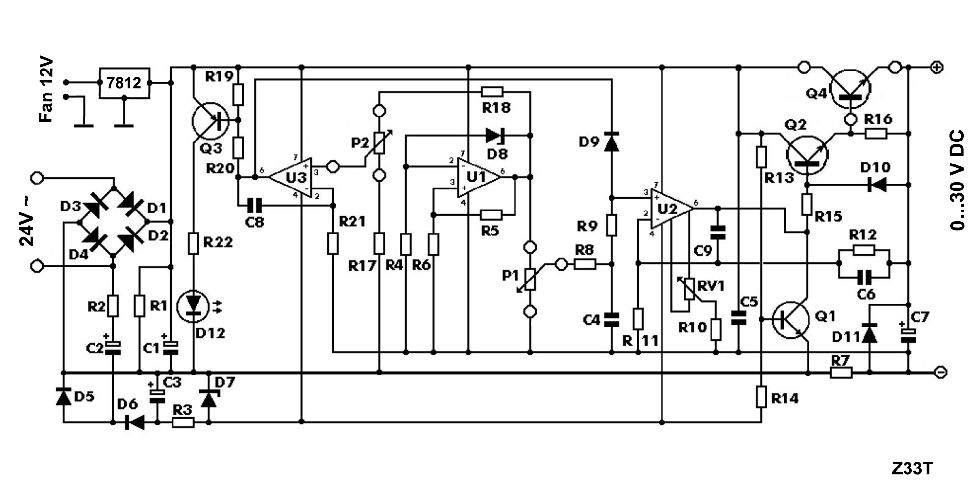
AliExpress定電圧電源基板の回路図と部品リスト
なかなか良く考えらえた回路、ゼロボルトまで制御するためのマイナス電源は倍電圧整流回路で作成、冷却ファンのための12V 電源もあり。抵抗器のワッテージ選定がやや無理筋の所があるようで交換必要、まあ500円で部品と基板が付いているので贅沢を 言ってはいけないけど。

2019年11月20日(水)
AliExpressに定電圧電源基板を注文、何と455円で送料込み
キットだが電源側ダイオードや電解コンデンサ、メインのトランジスタもついてこの値段。メイントランジスタの 放熱板はさすがについてないけど、冷却用ファンの電源回路もある。


先月入手の電源を改造予定、LED表示器も
電圧と電流を表示するLED表示器も注文した、電圧と電流の表示が出来て176円、送料込み。
四角い穴あけはちょっと大変そうだが頑張ってやるか、いずれにせよ12月になるが。


2019年11月19日(火)
6J1真空管プリとパワーアンプICのキットを注文
アマゾンもクーポンもあったので割引後975円で注文、発送は中国本土なので1−2週間は かかるよう。このパワーアンプICはアナログアンプなので結構な発熱があるようで放熱板を 思案中、キット付属品ではどう見ても小さすぎのよう。


真空管のデータシートも久しぶり
6J1の元である6AK5のデータシート、これは今は亡きレイセオン社のもの。真空管のデータシートを 見るのは随分久しぶり、昔は東芝の真空管ハンドブックを持っていた(ヤフオクで売却)。 高周波用の球なので電極は小さめのかわいい真空管。寿命1000時間というのが真空管らしい。

2019年11月19日(火)
何も関わってないとの大嘘がバレた
参院自民党が議員に招待客リストを出せとの通知が発覚、これでも関与してないと言い張るつもり? 史上最長の政権で調子に乗りすぎて「やりたい放題」、政府の発表では全招待者のうち功労ある人は 6000人だけ、あとは安倍と自民党の後援会接待と判明、名簿も無いのにどうして内訳が解るのかも 大いに不思議だが。。


どうせ税金だからと大盤振る舞いで招待数急増?
何と「私人」だとモリカケ問題を逃げるため閣議決定までした安倍昭惠の推薦枠もあったと。民主党政権時代もやっていたとか言い訳ばかり するが実施は1回だけ、招待者数も前年並みで今年も18000人以上とは大違い。 なんでも「民主党政権は暗黒時代だった」と人の事は貶すが、史上最長となったアベ政権も歴史に残る暗黒政治。

2019年11月19日(火)
WINDOS10の最新バージョンへの更新実施 大規模更新である春秋のバージョンアップ、今回はどうやら中身の大きな変化はないようだが、早めに 実施してみた。それでも3時間位は掛かる作業で残りのPCをどうするかは考えどころ。


身勝手な発言ばかりが目立つ
IOCも開催地が無くなってしまい金儲けの種が消える心配からか身勝手などう見ても「アスリート・ファースト」とは 思えないような言動ばかり、サマランチの商業化の弊害がどんどん酷くなるばかり。
アベの元秘書だという下関市長の発言も自分達さえ良ければが見え見え。そんなにお年寄りが喜ぶのなら全国から遍く招待 するのかが当然なのに自分達だけが良い思いをしているという反省が何もない。


2019年11月18日(月)
これ本当にあると思える怖さ
「桜を見る会」のアベ私物化、予算の3倍の費用、地元で募集し850人も招待、前夜祭の領収書はホテル名義に、 安全検査もバス内で形式だけ、一般入場前に850人を入れて記念撮影、公選法違反でないから「私物化」でないと 言い張るアベの浅ましさ。


バレたら次からやらない、と逃げる
こちらも建前は会費制で有料、一部は「ご招待で無料」という無料の飲食を提供するインチキ議員。 でもこれは明らかに有罪にしかみえない、次からやらないという言い訳もアベそっくり。

2019年11月17日(日)
昨日は山手線・京浜東北線が運休し線路移設
高輪ゲートウェイ駅を通る新線路への移動(京浜東北の南行は移動済)で運休に。駅構内の様子が 報道されたがどこかで見覚えのある光景、そうシャルルドゴール空港内のSNCF構内駅に似ている。
品川駅の工事はまだまだ続くよう、山手線の内回りと外回りの分離、京浜東北・北行と山手線外まわりの 同一ホーム化の予定。


富士山は雪が減ってきて
先週の雪は根雪にならない量でもう溶けてしまったよう。
早目の散歩でクレーンでの工事中の様子がやっと見られた、トンネルのコンクリート枠を大型クレーンで 吊り降ろしシーリングマシンで掘った穴に入れ込む様子だった。


2019年11月16日(土)
富士山は雪が減って
上はα700+茶筒望遠75-300mm、下はα7U+LA-EA3+70-210mm望遠ズームでの撮影、色味の違いはPLフィルタの有無による。


ミノルタのオールドレンズ達
初期のオートレンズは巻いてあるゴムが細かな斜め模様。左から100mmF2.8マクロ、70-210mmF4望遠ズーム、28-85mmズームの 3本、どれも比較的最近入手、このほか茶筒レンズの望遠ズーム75-300mmもある、どれも金属鏡胴でずっしり重い。

2019年11月15日(金)
ヤフオクで落札のレンズが届いた
ミノルタのオートフォーカス初期のレンズ、金属製で重く大きいが70−210mmF4というもの。 純正フード、保護フィルタ、純正ケース付き。
このレンズには新しい?ものがありプラスチック化で小型軽量化、F4通しではなくなりフィルタ径も49mm。


さっそく試写してみた
α7Uでアダプタ経由で試写、ピント合わせはマニュアルだが光学ファインダとは異なり補助機能で 合焦ポイントは解りやすい、手振れ補正はオートのままなので効果薄い?

2019年11月15日(金)
安価な真空管プリ付アンプ、たった2千円
もちろん中国製のDIYキットだがアリババで買うと送料込みで1800円程(3週間かかる)だが アマゾンにもあり2000円で直ぐ来るよう。真空管は6J1という6AK5互換の中華製、どちらか というと高周波用の球のはずだが。


問題点は電源部
当然ながら電源は外付け、それもAC18Vの2巻線のものが必要、コンデンサ耐圧25Vからの設定のようだが LM1875Tを活かして出力を稼ぐならもっと高い電圧がよいよう。手持ちのトランスを探すも25V*2が 廃棄したアンプからの取り出し品で見つかったが電圧が高すぎか。

2019年11月14日(木)
フィルムカメラの分解
今回レンズ目的で落札したらボディが2個付いてきたので古い3Xiのボディを分解してみた。 このカメラは普及クラスのオートフォーカスカメラ、ボディは全てプラスチック製で軽い。


金属部品はごく一部だけ
シャッターやモータ類は金属を使うが他はほぼプラスチック、電子回路もフィルム状の回路基板で ペンタ部を跨いで入れている。ペンタプリズム部は当然ながらミラー方式の安価なものでガラスは不使用。

2019年11月14日(木)
どうみても変:桜を見る会を急遽中止、悪事がばれたから?
自分の後援会関係者を850人も招待し開場前に入れて記念撮影、セキュリティでと言い訳するが、入場時の 本人確認もなく誰でも入れてしまう杜撰さも。税金で支援者を飲食接待するアベの悪代官ぶりが酷い。


こちらも納得いかない:池袋暴走殺人事故の加害者
負傷したからと思ったら退院しても逮捕無し、車の故障のせいと主張し自分のミスを認めないという あくどい状況なのに逮捕もしない不思議さ。普通、歩道等への突っ込み事故なら有無を言わさず逮捕される のに何という「警視庁の優遇」の不思議さ。事故原因の一つが予約していたレストランに遅れると焦っていた というのも人命軽視も甚だしい感覚。

2019年11月13日(水)
税金で「おともだち」を接待するアベ
毎年人数が増えて費用も膨らむ「桜を見る会」、地元有権者を多数ツアーでご招待。 いつもの「お友達優遇」を税金でやってる、悪事がばれそうになると名簿は直ぐに廃棄、 「民主党もやってた」など妙な言い訳も出てくるのは病的。
選挙違反相当にやっと気付き「来年は中止」とアベが判断とか、自慢気にSNSへ掲載していた 議員達も慌てて削除、これって悪い事しててバレた、と同じでは

2019年11月12日(火)
パソコンをまとめてメンテナンス
無線LANの変更もあり、アップデートも纏めて実施した。
予備機のJ81(とにかく頑丈)、C655やPXWもメンテ、PXWはバッテリが劣化し起動を妨げている状態、今更バッテリを買う 気もないし、外して使うか。


2019年11月12日(火)
日没と同時に月の出
東側のマンションの上に月が現れた、ほぼ満月(昨日が満月のはず)の大きな月。


月の兎の正立位置
昨日の沈む月は兎が逆立ちする位置だったが月の出の今度は正立位置。

2019年11月12日(火)

漁船と富士山
夕方の散歩を兼ねて海岸の遊歩道歩きに、太陽の沈む位置がだいぶ南側になったので夕陽で赤く染まる 富士山は見られない。

2019年11月12日(火)
波吹雪と夕陽のコラボ
排水溝のコンクリートに波が当たって砕ける向こうから赤い夕陽が照らす風景、なかなか撮影タイミングが 難しい。


公園の夕暮れ


2019年11月12日(火)

サーファーと富士山
雪の増えた富士山が綺麗に見えるので、雲が掛からないうちにと10時前に公園を通り、海岸まで出かけた。
好天でもありサーファーが多数プカプカ浮いている、釣人は少な目だった。

2019年11月12日(火)
雪の増えた富士山
昨日の雨が富士山では雪、減っていた雪が増えて冬の景色に。


日の出前の沈む月
満月が沈むのは5時半ころ、実際は山があるのでこの画像は5時ちょっと過ぎ富士山の北側に沈む直前の月。

2019年11月12日(火)
無線LAN更新
ヤフオクで落札の送料込みで1000円程の無線LANルータを設置、速度を測ってみた。ほぼADSLモデム単体と 変わらない高速でサクサク。でも何故か設定画面には意味不明のパスワード入力が出て入れず、動作は問題なしなので じっくり調べるか。

2019年11月11日(月)
天使の階段のあとは雷雨に
朝方にも雨、夕方4時過ぎからは雷雨に。富士山の夕焼けは見られず。
これらの写真は昨日届いた14-85mmレンズ+A7M2で撮影。


2019年11月11日(月)
昨日届いた28-85mm初期型レンズをα900に
ミノルタでも後期のレンズは鏡胴がプラで安っぽく軽いが初期型は金属製なのでずっしりと重い。 近接撮影側が弱いのでスイッチでマニュアルフォーカスのマクロ域へ入る構造となっている。


レンズキャップを修理
このミノルタの初期タイプ?は内部のプラのばねが折れやすいよう、今回のものは欠損が無いので接着材で付けて再生。 55mmのキャップはミノルタの主流なので役に立つ。

2019年11月10日(日)
Pentium4のスリムデスクトップをWindows7に
東芝のEQUIUMのS6000シリーズ相当機だがCPUがCerelonで遅いのでPentium4に変えたのだがやはり遅い。 それでもいざという時の予備用にWindows7入りのHDD(2.5")に交換し動作確認を実施、小型故に放熱が 良くなく右サイドが非常に暑くなるのが難点(冷却ファンの反対側なので仕方ない)。


O-SIMはスマホへ戻した
WiFiルータを試すもO-SIMでは速度が極端に遅いので、ADSLが廃止になるまで使い続けることにし、非常用として保管。 0-SIMはSONYのスマホへ戻し、PINコードを入れて再度使用開始。

2019年11月10日(日)

恒例のクリスマス・イルミネーション
今年は歌手の持ち歌とのコラボもなくなり地味、子供連れ以外の観客は少ない。

2019年11月10日(日)
テラスモール湘南のクリスマス・イルミネーション
昨日から始まったクリスマスのイルミネーション、素材が毎年同じなのであまり変わり映えはしない。


休日だが人は少ない
かつては歌手とのコラボで歌もあったが最近は演奏のみで地味になった印象、喜んで見ているのは子供ばかり。

2019年11月10日(日)
ジャンクカメラを落札
1円+送料1120円、欲しかったのは28−85mmの初期型レンズ、金属製の鏡胴でずっしり重い。 何故かこのレンズのフードは手元にあった。1992年バルセロナ五輪記念のストラップも使えそう。


藤沢浮世絵館へ、マンホールカードも貰った
テラスモールのイルミネーションを見る前にココテラス湘南でアートフェスティバルの展示(今日が最終日)を見た後、 一階上がって浮世絵館へ、マンホールカード配布中とあったので貰ってきた。

2019年11月10日(日)
藤沢アートフェスティバルの展示
そのうち見に行こうと思っていたら今日が最終日なので、イルミネーション鑑賞がてら出かけた。


4人の若手芸術家の展示、よく解らないけど
3人の作品は6階の展示スペースに、残る一人は4階の吹き抜けスペースにあった。

2019年11月9日(土)
マイキーID設定してみる
マイナンバーカードに設定してある電子証明書の有効期限(3年間)が切れるので更新をしろ、との案内が来た。 同時にマイナーポイント用のID設定の案内もあったのでやってみた。ID設定は出来たが対応する自治体が神奈川県 ではまだ相模原市のみで藤沢市は設定不可能でパスワード変更も出来ない、こんな中途半端な状況でID設定しろとは。


登録画面、何故かIEでしか動作しない
この登録用ソフトはまたIEでしか動作せず(確定申告用のe−TAX用と同じ)ブラウザを切り替える必要があり、 こんな面倒な登録作業が一般の人ですんなりできるか大いに疑問、スマホのアプリからでも出来るようだが iPHOHEには未対応というお粗末。

2019年11月9日(土)
太平台の滴水庵へ行ってみる
チラシで知った滴水庵の公開、どうやら地元の議員の宣伝のようなのだが普段は入れないので 行ってみることに、入場協力金が100円、抹茶のサービスは300円。


小桜舞子のミニライブも
池の周りに待合や茶室が配置されている、池そばには三重塔も建っていてなかなかの風情ある場所、今は周りを 住宅に囲まれて入口出口以外は外からは見えない。

2019年11月8日(金)
墓参りに、元気なら「白寿」
今日で墓を作ってから150回目の墓参り、父が元気なら「白寿」のお祝いだったはず。


朝焼けの空・午前6時
朝焼けの空が真っ赤で気になったので撮影。日の出はもう6時ころになっている。

2019年11月7日(木)
今日の富士山:強い南風
木枯らし一番かと思えるほどの強い南風で海岸の遊歩道は砂が舞って歩きずらい。帰ってから調べると首などの周りは 細かな砂がびっしり、髪の毛の中まで砂が入り込んでいた。


大昔のデジカメで撮った富士山
SONYのデジタルマビカ(10倍ズーム)で撮影、画像データはフロッピーに保存、元サイズは640*480ドットだけ。

2019年11月7日(木)
何か変では?CO2削減なのにスタッフは航空機移動
CO2発生量の多い航空機利用を辞めるとの趣旨で富豪のヨットを利用、でもそのヨットのスタッフは交代で 10人もが航空機で移動、ヨットも豪華仕様で製作時にCO2大量発生間違いなし。何か根本がおかしい!


台風への対応は疑念だらけ、言い訳もしどろもどろ
台風当日は東京で乾杯で多忙、翌日は登庁もせず、翌々日はやっと登庁するも午後3時には「別荘」へ さっさと帰宅、「私的視察」に行ったというが目撃者は誰も居らず、信ぴょう性には大疑問。

2019年11月7日(木)
α7Uで魚眼レンズ
もともとAPS−C用なのでクロップ設定で撮影してみた、まあがっちりと歪んでいる。


強い光があると周囲に輪っかが出る
まあフードを付けることが出来ない円周魚眼レンズでは仕方ないことだけど、画角が広いので屋外で強い光が入るのは 避けられない。

2019年11月7日(木)
アべ忖度で英語民間試験採用?
無理が通って道理のひっこんだ民間英語試験の採用、経済力や地域格差を無視した民間試験の採用は 非常にきな臭い状況に、また加計問題の再発かとの疑いも。
英検では30万人の申し込みがあり一人当たり7000円とすると21億円の「儲け仕事」だったのが消滅。 あの情報漏洩のベネッセもがっぽりぼろ儲けを企んでいたようだが。


この経緯を見ると妙な事ばかり
何故民間試験か、英語の4機能は本当に必要?など疑問多数で強行。民間試験業者のオトモダチのために やったのではとの大疑問が生じている。仕組みも目的も違う民間試験を横並び評価なんて元々無理なはず。
国語などの筆記試験の採点を民間(要はアルバイト)にやらせるというとんでもない案にも飛び火、筆記問題の 採点には客観性を確保するために非常に手間が掛かるので専門家でも大変なのに臨時のアルバイトで本当に出来る? かつての社会保険庁の杜撰データインプット(民間へ丸投げ)での巨額の無駄の再発にもなりそう?


2019年11月6日(水)


夕景の富士山
今日は一日中、富士山が綺麗に見えていた、もう冬の天気に変わったのか。

2019年11月6日(水)

クレーンと富士山

釣り人多数


2019年11月6日(水)
海岸の風景
午前中で波があまりないのにサーファー多数、釣り人も多数。


工事用クレーンのある風景
このクレーンは近所の下水処理場の排水路の増設?工事のため、国道の地下をシールド工法で工事し水路部分の コンクリート枠を地下へ下ろすためのクレーンらしい(たまにしか動かない)。

2019年11月6日(水)
マクロの練習:100mmマクロ
海岸からの帰路、レンズを換えてマクロの練習、100mmだとピントが薄いのでカメラの保持と ピント合わせが結構難しい。


蝶々が飛びまわる
もうじき冬なのにまだ飛んでいる蝶、トンボは先週まで見かけたがもういない。

2019年11月5日(火)
16GBのSSDが届いた
落札したSSDが届いたのでチェック、問題なし。中を開けてみたが小さな基盤だけ、まあそうだろうけど。


やっと冬らしくなる?
大阪では木枯らしが吹いたとか、北海道も今週中には雪が降るという予報も。 暖かすぎて紅葉は大幅に遅れて枯れてしまうものもあるよう。

2019年11月4日(月・祝)
C655をWINDOWS7に戻す
ページスキャナにはWindows7機が必要なのでUXを充てたが如何にも使い勝手が悪いので、C655をWindows7に 戻す事にして作業中、880MBものアップデートファイルがあり延々と更新作業中。


16GBのSSDを落札
送料込みで660円、UXのDaphileインストール用に落札。使用時間がかなり長いがMLCなので大丈夫だろう。

2019年11月3日(日)
みなとみらいの夜景
ハンマーヘッドから歩いて桜木町へ戻る途中、万国橋は工事中、開業したAPAホテルの横を通り撮影。

2019年11月3日(日)
新しく出来たハンマーヘッドへ
桜木町から新しくできたピアライン(4日まで無料)でハンマーヘッドへ、ここはかつてCP+の展示にも使われた場所。 建物は建て替えられ1階にCIQ(税関・入国審査・検疫)と店舗、2階も店舗、3階以上は高級ホテルという造り。 ピーターラビット・カフェなるものも出来ていた。


向かいの岸壁には超豪華ヨット
右手の海上保安庁側の岸壁には不思議な形の船、見たことの無い国旗、調べるとロシアの大富豪のヨット(こんなに大きいのに)で 10数人の乗客と40数人のスタッフが乗り込んで世界を巡っているとのこと、国旗はマーシャル群島のものらしい。

2019年11月3日(日)
横浜室内管弦楽団@県立音楽堂
自由席で入場料1000円、満員ではなかったがそれなりの入場者。


アンコールは動物の謝肉祭から象の行進
演目は、1)ビゼー・小組曲「子供の遊び」、2)フランセ・コントラバス協奏曲、3)フランセ・モーツァルトニュールック、 4)ベートーベン・交響曲第8番、アンコールはサンサーンス・動物の謝肉祭から象の行進だった。

2019年11月3日(日)
ダントツで見たくないCM
こんなCMならこの商品は絶対に買わない、と間違いなく思うのに何故こんな人を起用するのか?


何故か痛いたしさが漂うCM
濃いメークに付けまつげ?良く解らないイメージ設定。

2019年11月2日(土)
盛り上がったワールドカップ・ラグビーが閉幕
南アフリカがイングランドを大差で破り優勝して閉幕に。日本チームも決勝トーナメントまで 進むという快進撃だったが強豪国はやはり強い。


海岸は100kmウォーキングの人多数
新聞によると1500人が参加し小田原から東京へ100kmを徹夜であるくエクストリーム・ウォーク100という イベントらしい。

2019年11月1日(金)
真っ赤な夕焼けにはならないけど
太陽の沈む位置が南へ遠くなったので富士山が綺麗に赤くなることはないが空全体が赤くなる。


札幌でマラソン・競歩、どこが東京オリンピック?
金儲け第一のIOCの都合に振り回されて札幌に変更、東京で真夏のマラソン・競歩が無事にできる訳もなく (IOCも承知のはず)、今後の開催地消滅に怯えて強権発動で強引に変更した。まあ今後は冬のオリンピック でやったらとの声もあるが。

2019年11月1日(金)
今更の民間英語試験の採用延期
ずっと前から様々な問題点が指摘されてきたのに放置したまま推移、受験費用の負担に「身の丈」などと放言する 文科大臣ひ非難殺到、遂に来年は採用しないと方向転換、遅すぎの決断で実害多数のはず。


今度は法務大臣が選挙違反容疑で辞任
法務大臣が妻の選挙違反疑惑という信じられない事態に急遽「夜逃げ辞任」に追い込まれた。 「皆やってる」など言い訳にもならない、それも取締りをするトップの法務大臣。

2019年11月1日(金)
今朝のSO-NET回線の速度
時間帯で変動が激しい、本来なら同じはずの速度だが上りは早くて下りが遅いのは利用者の形態で当然か。
ADSLからの乗換は現時点では難しいか、という結果。



昨夜のADSL回線速度
ADSLなので原理的に下りは早く上りは遅い、下りは5MBPS程度で安定。契約の速度が出ているし、電話線の配線長が長いので高速は元々無理。
ADSL回線は安価でも安定した速度でデータ量の上限もない、利用者減でさらに速度安定して快適、 2023年までADSL回線を使い続けよう。